HZL Spiral L-Shaped
PTFE Heater

HeaterTek’s PTFE fluoropolymer heaters are engineered with precision and reliability to deliver unparalleled performance in challenging environments. Explore the superior features that make our heaters stand out in the industry:

  • Exceptional Chemical Resistance: Designed to withstand most aqueous chemistries, our PTFE fluoropolymer heaters excel in highly corrosive and demanding applications.
  • Robust Construction: Featuring heavy-wall PTFE tubing encasing a stainless steel element, these heaters ensure maximum durability and safety.
  • Optimized Watt Density: With a low watt density of 10 w/in² (1.5w/cm²), our heaters are crafted for extended lifespan and efficient performance.
  • Corrosion-Resistant Terminal Enclosure: The polypropylene (PP) terminal enclosure protects against harsh environmental conditions.
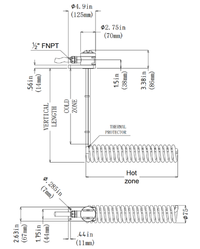
  • Comprehensive Accessories: Every unit includes a 36″ standard wire and conduit for hassle-free installation.
  • Enhanced Safety: Grounded metal elements provide added security and operational stability.
  • Voltage Versatility: Available in multiple voltage options: 120, 208, 240, and 480, ensuring compatibility with various systems.
  • Customizable Guards: Optional guards are available for additional protection and tailored applications.

Resources

Contact Us to Order

  • Advanced Over-Temperature Protection: Safeguard your equipment with replaceable and resettable fuses designed for various temperature thresholds:
    • Replaceable Fuses:
      • P1: Up to 190°F
      • P4: Up to 220°F
    • Resettable Fuses:
      • P2: Up to 190°F
      • P8: Up to 210°F
      • P6: Up to 230°F

Why Choose HeaterTek? Our PTFE fluoropolymer heaters are crafted to meet the rigorous demands of modern industries, combining efficiency, safety, and durability. Whether you’re in chemical processing, semiconductor manufacturing, or any industry requiring high-performance heating solutions, HeaterTek is your trusted partner.

By integrating these key features into your processes, you’ll experience unmatched reliability and cost-effective operation. Contact us today to learn how our PTFE fluoropolymer heaters can elevate your system’s performance.

Watts Volts Hot
Zone
in
Overall
Length
in
Max
Cold Zone
in
Model
Number
Ship Wt.
LBS
500
120
6
12
41
HZL.5106-R*.**
6
240
HZL.5206-R-*.**
1000
120
8
12
41
HZL1108-R*.**
7
240
HZL1208-R*.**
2000
120
12
18
40
HZL2112-R*.**
8
240
HZL2212-R*.**
480
HZL2412-R*.**
3000
240
17
18
40
HZL3217-R*.**
13
480
HZL3417-R*.**
4000
240
20
18
40
HZL4220-R*.**
15
480
HZL4420-R*.**
5000
240
24
18
36
HZL5224-R*.**
18
480
HZL5424-R*.**
6000
240
29
18
30
HZL6229-R*.**
21
480
HZL6429-R*.**
8000
240
37
18
32
2HZL8237-R*.**
26
480
2HZL8437-R*.**
9000
240
44
18
35
2HZL9244-R*.**
29
480
2HZL9444-R*.**
hzlspiralbottomheaters specs 1
Series Wattage Voltage Overall
Length
Phase Type of Protector Wire & Conduit Length
HZ = PTFE
.5 = 500
1 = 120
12 = .5kW
1 = Single phase
Replaceable Fuse
36″ length standard
1 = 1000
2 = 240
12 = 1kW
P1 = solutions up to 190°F
Specify variations from standard Ex: -X84 = 84″
2 = 2000
3 = 380
18 = 2kW
Resettable Fuse
3 = 3000
4 = 480
18 = 3kW
P2 = solutions up to 190°F
4 = 4000
5 = 415
18 = 4kW
P8 = solutions up to 210°F
5 = 5000
6 = 600
18 = 5kW
6 = 6000
7 = 400
18 = 6kW
8 = 8000
8 = 208
18 = 8kW
9 = 9000
9 = 220
18 = 9kW
0 = 200
hzlspiralbottomheaters specs 1

Headquarters

 

703 E Sycamore Street

Evansville, Indiana 47713

(812) 962-5770

Sales@Heatertek.com

Idaho Location

 

9530 W Bethel Ct., Suite B

Boise, Idaho 83709

(208) 323-6143

Sales@Industrialheatingsystems.com

Talk To Our Heating Expert, Skip Schaefer, NOW